| ASAHI UKFC FCX CUKFC |
|
上海川代轴承机械有限公司 新闻动态 2026-3-22
|
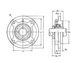
軸徑 (mm) |
連 座 軸 承 型 番 |
主 要 寸 法 (mm) |
安裝 螺栓 型番 |
軸 承 部 份 |
軸承座 型 番 |
附鋼製外蓋 軸承型番 |
附鑄鐵製外蓋 軸承型番 |
總重量 |
| 型番 |
基本額定荷重(Kn) |
標準 |
附鋼製 外蓋 |
附鑄鐵 外蓋 |
| L |
A |
J |
J1 |
N |
A1 |
A2 |
A3 |
H3 |
A0 |
B1 |
A4 |
A5 |
A6 |
A7 |
Cr |
C0r |
| 20 |
UKFC205 |
115 |
21 |
90 |
63.6 |
12 |
7 |
10 |
6 |
70 |
29.5 |
35 |
42 |
45 |
11 |
9 |
M10 |
UK205 |
14 |
7.9 |
FC205 |
UKFC205C(E) |
CUKFC205C(CE) |
1.1 |
1.1 |
1.6 |
| 20 |
UKFCX05 |
111 |
24 |
92 |
65 |
9.5 |
9.5 |
10 |
6 |
76 |
31 |
35 |
43 |
-- |
10 |
-- |
M8 |
UKX05 |
19.6 |
11.3 |
FCX05 |
UKFCX05C(E) |
-- |
1.1 |
1.6 |
-- |
| 25 |
UKFC206 |
125 |
23 |
100 |
70.7 |
12 |
8 |
10 |
8 |
80 |
31 |
38 |
43 |
47 |
10 |
10 |
M10 |
UK206 |
19.6 |
11.3 |
FC206 |
UKFC206C(E) |
CUKFC206C(CE) |
1.6 |
1.5 |
2.1 |
| 25 |
UKFCX06 |
127 |
22.5 |
105 |
74.2 |
12 |
9.5 |
8 |
9.5 |
85 |
29.5 |
38 |
43 |
-- |
12 |
-- |
M10 |
UKX06 |
25.9 |
15.4 |
FCX06 |
UKFCX06C(E) |
-- |
1.5 |
1.9 |
-- |
| 30 |
UKFC207 |
135 |
26 |
110 |
77.8 |
14 |
9 |
11 |
8 |
90 |
33.5 |
43 |
46 |
51 |
11 |
11 |
M12 |
UK207 |
25.9 |
15.4 |
FC207 |
UKFC207C(E) |
CUKFC207C(CE) |
1.8 |
1.8 |
2.5 |
| 30 |
UKFCX07 |
133 |
26 |
111 |
78.5 |
12 |
11 |
9 |
11 |
92 |
32.5 |
43 |
48 |
-- |
14 |
-- |
M10 |
UKX07 |
29.3 |
17.9 |
FCX07 |
UKFCX07C(E) |
-- |
1.8 |
2.2 |
-- |
| 35 |
UKFC208 |
145 |
26 |
120 |
84.8 |
14 |
9 |
11 |
10 |
100 |
35.5 |
46 |
52 |
56 |
15 |
14 |
M12 |
UK208 |
29.3 |
17.9 |
FC208 |
UKFC208C(E) |
CUKFC208C(CE) |
2.2 |
1.8 |
2.9 |
| 35 |
UKFCX08 |
133 |
26 |
111 |
78.5 |
12 |
11 |
9 |
11 |
92 |
34 |
46 |
50 |
-- |
15 |
-- |
M10 |
UKX08 |
33 |
20.5 |
FCX08 |
UKFCX08C(E) |
-- |
1.8 |
3.2 |
-- |
| 40 |
UKFC209 |
160 |
26 |
132 |
93.3 |
16 |
14 |
10 |
12 |
105 |
36 |
50 |
51 |
55 |
14 |
13 |
M14 |
UK209 |
33 |
20.5 |
FC209 |
UKFC209C(E) |
CUKFC209C(CE) |
3.1 |
2.6 |
3.8 |
| 40 |
UKFCX09 |
155 |
25 |
130 |
91.9 |
14 |
11 |
8 |
12 |
108 |
34.5 |
50 |
52 |
-- |
16 |
-- |
M12 |
UKX09 |
35.5 |
23.2 |
FCX09 |
UKFCX09C(E) |
-- |
2.5 |
3.5 |
-- |
| 45 |
UKFC210 |
165 |
28 |
138 |
97.6 |
16 |
14 |
10 |
12 |
110 |
37.5 |
55 |
54 |
59 |
15 |
15 |
M14 |
UK210 |
35.5 |
23.2 |
FC210 |
UKFC210C(E) |
CUKFC210C(CE) |
3.3 |
3 |
4.4 |
| 45 |
UKFCX10 |
162 |
25 |
136 |
96.2 |
14 |
11 |
7 |
16 |
118 |
35.5 |
55 |
51 |
-- |
14 |
-- |
M12 |
UKX10 |
43 |
29.4 |
FCX10 |
UKFCX10C(E) |
-- |
2.9 |
4.2 |
-- |
| 50 |
UKFC211 |
185 |
31 |
150 |
106.1 |
19 |
15 |
13 |
12 |
125 |
41.5 |
59 |
57 |
63 |
14 |
15 |
M16 |
UK211 |
43 |
29.4 |
FC211 |
UKFC211C(E) |
CUKFC211C(CE) |
4 |
4 |
5.2 |
| 50 |
UKFCX11 |
180 |
26 |
152 |
107.5 |
16 |
13 |
4 |
22 |
127 |
34 |
59 |
54 |
-- |
19 |
-- |
M14 |
UKX11 |
52.5 |
36.1 |
FCX11 |
UKFCX11C(E) |
-- |
3.9 |
4.7 |
-- |
| 55 |
UKFC212 |
195 |
36 |
160 |
113.1 |
19 |
15 |
17 |
12 |
135 |
48 |
62 |
68 |
74 |
19 |
20 |
M16 |
UK212 |
52.5 |
36.1 |
FC212 |
UKFC212C(E) |
CUKFC212C(CE) |
4.4 |
4.7 |
6.1 |
| 55 |
UKFCX12 |
194 |
33 |
165 |
116.7 |
16 |
14 |
11 |
20 |
140 |
43 |
62 |
63 |
-- |
19 |
-- |
M14 |
UKX12 |
57.5 |
40 |
FCX12 |
UKFCX12C(E) |
-- |
4.6 |
5.7 |
-- |
| 60 |
UKFC213 |
205 |
36 |
170 |
120.2 |
19 |
15 |
16 |
14 |
145 |
49 |
65 |
67 |
75 |
17 |
20 |
M16 |
UK213 |
57.5 |
40 |
FC213 |
UKFC213C(E) |
CUKFC213C(CE) |
5.4 |
-- |
7.2 |
| 60 |
UKFCX13 |
194 |
33 |
165 |
116.2 |
16 |
14 |
11 |
20 |
140 |
45 |
65 |
-- |
-- |
-- |
-- |
M14 |
UKX13 |
62 |
44 |
FCX13 |
-- |
-- |
4.7 |
-- |
-- |
| 65 |
UKFC215 |
220 |
40 |
184 |
130.1 |
19 |
18 |
18 |
16 |
160 |
53.5 |
73 |
-- |
86 |
-- |
26 |
M16 |
UK215 |
66 |
48.2 |
FC215 |
-- |
CUKFC215C(CE) |
7.8 |
-- |
9.2 |
| 65 |
UKFCX15 |
222 |
35 |
190 |
134.3 |
19 |
16 |
12 |
22 |
164 |
49 |
73 |
-- |
-- |
-- |
-- |
M16 |
UKX15 |
72.5 |
53 |
FCX15 |
-- |
-- |
7.4 |
-- |
-- |
| 70 |
UKFC216 |
240 |
42 |
200 |
141.4 |
23 |
18 |
18 |
16 |
170 |
57 |
78 |
-- |
91 |
-- |
26 |
M20 |
UK216 |
72.5 |
53 |
FC216 |
-- |
CUKFC216C(CE) |
9.6 |
-- |
11.7 |
| 70 |
UKFCX16 |
260 |
36 |
219 |
154.8 |
23 |
19 |
10 |
25 |
186 |
50 |
78 |
-- |
-- |
-- |
-- |
M20 |
UKX16 |
83.5 |
61.8 |
FCX16 |
-- |
-- |
11.6 |
-- |
-- |
| 75 |
UKFC217 |
250 |
45 |
208 |
147.1 |
23 |
20 |
18 |
18 |
180 |
59 |
82 |
-- |
93 |
-- |
26 |
M20 |
UK217 |
83.5 |
61.8 |
FC217 |
-- |
CUKFC217C(CE) |
11.1 |
-- |
13.4 |
| 75 |
UKFCX17 |
260 |
36 |
219 |
154.8 |
23 |
19 |
10 |
25 |
186 |
52.5 |
82 |
-- |
-- |
-- |
-- |
M20 |
UKX17 |
62.5 |
71.4 |
FCX17 |
-- |
-- |
11 |
-- |
-- |
| 80 |
UKFC218 |
265 |
50 |
220 |
155.5 |
23 |
20 |
22 |
18 |
190 |
64.5 |
86 |
-- |
104 |
-- |
31 |
M20 |
UK218 |
62.5 |
71.4 |
FC218 |
-- |
CUKFC218C(CE) |
13.1 |
-- |
16.3 |
| 80 |
UKFCX18 |
260 |
43 |
219 |
154.8 |
23 |
19 |
12 |
28 |
186 |
56 |
86 |
-- |
-- |
-- |
-- |
M20 |
UKX18 |
109 |
81.6 |
FCX18 |
-- |
-- |
11 |
-- |
-- |
| 90 |
UKFC320 |
276 |
66 |
238 |
168.3 |
23 |
22 |
22 |
28 |
206 |
71 |
97 |
-- |
-- |
-- |
-- |
M20 |
UK320 |
134 |
104.7 |
FC320 |
-- |
-- |
14.9 |
-- |
-- |
|
ASAHI UKFC FCX CUKFC现货供应,如有需要请及时联系我们。上海川代轴承机械有限公司同时销售
NK 10/12 TN,
SY 50 PF,
23036-E1-TVPB-C4,
45220-20253,
LM961548/LM961510,
33017U,
FJST6X5X1000,
23032CDKE4,
6005-2RSH/C3,
W3612SS-1Z-C5Z10,
1063FZ,
SEA110/NS9BI0TDTL,
VPE-208,
VF4B-323,
LMK12UU,
N106-1,
3984,
PKEB224M60H,
DE0565LZCS34PX1/#05,
TH3S215E,
206KRR6,
2LA-HSE916AD,
KRV16/3AS,
EC 12625 S02.H206,
7308 BA,
DRPB-400-4、孔径4(英寸in),
206HCUH O-11 P2SF 23140,
415725N油封,
R-38S-17/8,
D420,
以上为我司部分轴承型号,如需查找其他型号,可登陆我们的现货中心栏目或致电021-52797858转8008进行详细查询,谢谢! ,我们还提供其相关技术信息包括
直线运动轴承,
代理ABBA BRS15B.BRS20B.BRS25B.BRS30B.BRS35B.BRS45B.BRS55B HGH15HA.HGH20HA.HGH25HA.HGH30HA.HGH35HA.HGH45HA.HGH55HA,
BSPB093SULP3 BSCU55090DUMP3 7000CTRDUMP3 BL210 MP2.3/4 NU207EW,
KETCHIE-HOUSTON 、 KH-4008-2A KH-4008-3A、 KH-4013-0A KH-4013-3A 、KH-4007-11A,
JAF:SH201、SH202、SH203、SH204、SH205包装机械用,
R0630 012 00、R063001600、R063002500、R063003000,
1651-494-20、1651-394-20、1651-393-20,
REXROTH-STAR、1622-632-10、1622-613-10、1622-693-10、1622-623-10,
HR20E、HR25E、HR16E 关节轴承,
ZAS2111、ZAS2112、ZAS2045MM、ZAS2200,
GE17FO、GE17FW/GEG17C、GE17FW-2RS/GEG17ET-2RS,
F3S2B08E、F3S211E、F3S215E,
WF3S212E、WF3S214E、WF3S216E,
TRF10GUU、TRF10UU、TRF13UU加长带圆法兰,
VF2S-110、VF2S-112、VF2S-114、VF2S-115,
我们能针对客户的需求提供各种技术服务,具体详细信息请联系川代轴承全国客服热线021-52797858转8008询价,我们将为您提供专业详细的服务。如需查找其他型号,可登陆我们的现货中心栏目或致电021-52797858转8008询价进行详细查询,谢谢! |