欢迎访问川代轴承机械下属网站:
川代机械轴承网 川代机械配件网
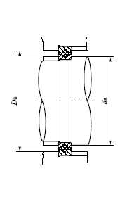
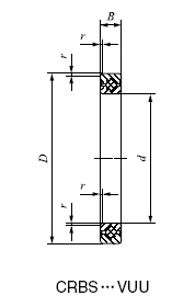
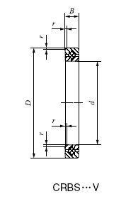
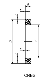
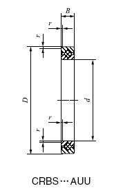
CRBS 形图和数据

上海川代轴承机械有限公司 新闻动态  2026-3-19

Slim Type Crossed Roller Bearings Open Type/With Cage, Open Type/Full Complement Type

Shaft dia. 50-200mm

Note(1)

Minimum allowable single value of chamfer dimension r

Remarks1.

No oil hole is provided.

..............2.

Grease is not prepacked. Perform proper lubrication.

Slim Type Crossed Roller Bearings Sealed Type/With Separator, Sealed Type/Full Complement Type

Shaft dia. 50-200mm

CRBS 形图和数据现货供应,如有需要请及时联系我们。上海川代轴承机械有限公司同时销售 ET-32007X, 81113TN, AZK851107.5, K 3X5X9 TN, 67780/67720, DH40X47X4, TSF60, M1926EAX, SEA50/NS9CI0DUL, SEB60/GH9PI1DDL, 129554 F2B-GTEZ-10-PCR, 049841 P2B-SXR-108-NL, REP5F5-10F, CR 16X30X7 CRW1 R, UCT217, MMRS35-60.Q2, NK145/32+IR130×145×32, ARN60120, 2A-BST17X47-1BLXL, NJ 310 E.G15, 33018 VC12, PB22447FH, 32216 AV加强密封盖, RB3010UUC0, 324SZZG, FPS225-1516轴径15/16 (in), TWN-20-OPN, KH-1304-12A, NP-29两孔立式座, 1665-213-20, 以上为我司部分轴承型号,如需查找其他型号,可登陆我们的现货中心栏目或致电021-52797858转8008进行详细查询,谢谢!
,我们还提供其相关技术信息包括 轴承代号组成规则, 微型轴承MR62-ZZ/W23 、MR93-ZZ、MF115-ZZ、MR695-ZZ/W5 (S), 可调整小开口SDM35YAJ、SDM20YAJ、SDM25YAJ、SDM13YAJ、SDM16YAJ、SDM12YAJ、SDM10YAJ、SDMY8AJ、SDM6YAJ, M81935/2-16 M81935/2-16L ASW-16T ASG-16T, 立式座VTBS-20-MM、VTBS-30MM、VTBS-35MM, ZAS9208、ZA9215、ZA9307、ZAS9080MM, MZEU12K E1+E2、MZEU20K E1+E2、MZEU50K E1+E2, CF-1/2-B、CF-9/16-SB、CF-5/8-N-B, R1532 220 06、R1532 100 06、R1532 220 06, 14×24×7HMSA10V、14×28×7HMSA10V, RINZ35G5G5、RINZ30G5G5、RINZ45G5G5, FB-DLEZ-20M-PCR、FB-DLEZ-100-PCR, CRT-AS-300E、CRT-AS-211E, EP4B-IP-212R、EP4B-IP-307R, NILOS-RING、21308JV、21307JV、21306JV, 我们能针对客户的需求提供各种技术服务,具体详细信息请联系川代轴承全国客服热线021-52797858转8008询价,我们将为您提供专业详细的服务。如需查找其他型号,可登陆我们的现货中心栏目或致电021-52797858转8008询价进行详细查询,谢谢!

首页 | 公司简介 | 产品展示 | 经销品牌 | 型号中心 | 部份库存轴承 | 新闻中心 | 客户留言 | 联系我们 | 轴承之家 |
上海川代轴承机械有限公司 技术支持:Freedesign
上海川代轴承机械有限公司|GMN轴承/SEALMASTER轴承/NADELLA轴承/EASE轴承/STAR轴承/DODGE轴承/LINKBELT轴承/INA轴承/IKO轴承/KOYO轴承/FYH轴承/TORR轴承/RHP轴承
你好,需要咨询请点击联系


×

客户服务热线

021-52797858
转8008询价

QQ:505918680
在线客服