| SEP2B-IP-108R、SEP2B-IP-112R、SEP2B-IP-114R |
|
上海川代轴承机械有限公司 新闻动态 2026-5-4
|
|

|
|
|
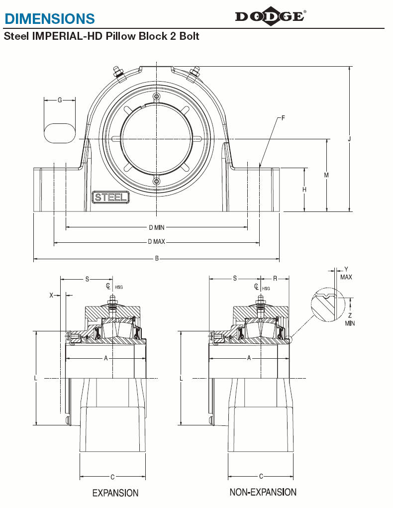
内径 A B# C# |
|
D F
MAX BOLT G#
DIA |
H# J# L M |
X
R S TOTAL Y EXP |
Z |
|
型号 |
MIN |
|
SEP2B-IP-106R |
1-3/8 |
2.63 |
7.37 |
2.12 |
5.63 |
5.88 |
1/2 |
0.75 |
1.13 |
3.85 |
2.72 |
1.875 |
1.04 |
1.59 |
5/32 |
0.020 |
1.80 |
|
SEP2B-IP-107R |
1-7/16 |
|
SEP2B-IP-108R |
1-1/2 |
2.81 |
7.88 |
2.38 |
6.13 |
6.38 |
1/2 |
0.75 |
1.25 |
4.25 |
3.00 |
2.125 |
0.96 |
1.83 |
3/16 |
0.020 |
2.08 |
|
SEP2B-IP-110R |
1-5/8 |
|
SEP2B-IP-111R |
1-11/16 |
|
SEP2B-IP-112R |
1-3/4 |
2.86 |
8.87 |
2.49 |
6.88 |
7.12 |
5/8 |
0.88 |
1.31 |
4.47 |
3.28 |
2.250 |
1.10 |
1.76 |
7/32 |
0.020 |
2.30 |
|
SEP2B-IP-114R |
1-7/8 |
|
SEP2B-IP-115R |
1-15/16 |
|
SEP2B-IP-200R |
2 |
|
SEP2B-IP-204R |
2-3/16 |
3.03 |
9.62 |
2.56 |
7.63 |
7.88 |
5/8 |
0.88 |
1.50 |
5.00 |
3.50 |
2.500 |
1.06 |
1.97 |
1/4 |
0.025 |
2.60 |
|
SEP2B-IP-207R |
2-1/4 |
3.42 |
10.50 |
2.87 |
8.38 |
8.62 |
5/8 |
0.88 |
1.63 |
5.71 |
3.88 |
2.750 |
1.20 |
2.22 |
1/4 |
0.025 |
2.95 |
|
SEP2B-IP-208R |
2-7/16 |
|
SEP2B-IP-211R |
2-1/2 |
|
SEP2B-IP-212R |
2-11/16 |
3.50 |
12.00 |
2.99 |
9.31 |
9.69 |
3/4 |
1.07 |
1.88 |
6.32 |
4.28 |
3.125 |
1.35 |
2.15 |
1/4 |
0.025 |
3.47 |
|
SEP2B-IP-215R |
2-3/4 |
|
SEP2B-IP-300R |
2-15/16 |
|
SEP2B-IP-303R |
3 |
|
SEP2B-IP-304R |
3-3/16 |
4.17 |
14.00 |
3.49 |
10.81 |
11.19 |
7/8 |
1.19 |
2.25 |
7.69 |
5.00 |
3.750 |
1.51 |
2.66 |
1/4 |
0.025 |
4.05 |
|
SEP2B-IP-307R |
3-1/4 |
|
SEP2B-IP-308R |
3-7/16 |
|
SEP2B-IP-106R |
3-1/2 | |
SEP2B-IP-108R、SEP2B-IP-112R、SEP2B-IP-114R现货供应,如有需要请及时联系我们。上海川代轴承机械有限公司同时销售
AZK19032015,
LBD50,
1055-50GHLT,
RWU25DFE,
22215EJW33,
23030CDE4,
L70F4,
ARNB90180,
SEA70/NS5CE0UL,
023700 S1U-DI-035M,
512181 HUB ASSEMBLY,
NN3022KTN9/SPW33,
CR 22440,
CR 28X42X8 HMSA10 RG,
ZMC-9200调心滚子轴承,
6004LLUCM/5K,
1312ETN9/C3,
AT5M05,
7518DLG,
AB 41010,
6006 F700,
RA107-107,
1030-30G,
P2B-SCH-107E,
GR20-N,
102HCRRDUL G-75 P2PF 22130,
211HEUM O-11 P2SF 22680,
B71930-C-T-P4S-DUL#E,
CFA10-1VMR,
6217JV密封盖,
以上为我司部分轴承型号,如需查找其他型号,可登陆我们的现货中心栏目或致电021-52797858转8008进行详细查询,谢谢! ,我们还提供其相关技术信息包括
圆柱滚子轴承,
单向离合器 型号 ND,
CRH 形图和数据,
Hephaist万向球铰、 SRJ048CP 、SRJ004C、SRJ006C、SRJ008C、SRJ012C、SRJ016C,
厂家直销NP-8,NP-9,NP-10,NP-11,
美国LINK-BELT ZEF2215 M1324TV TB22643H H316 MSN5205EB,
标准型轴承嵌入单元SC-10、SC-13、SC-204、SC-205、SC-18、SC-206,
标准型膨胀芯件AR-2-015T、AR-2-14T、AR-2-16T、AR-2-110T、AR-2-2T,
双螺栓法兰PVR-1504、PVR-1518、PVR-3546、PVR-1501、PVR-2533,
SJ7133、SJ7153、SJ7154、SJ7193、SJ7214、SJ7235,
立式座VPLS-115、VPLS-114、VPLS-118、VPLS-120S,
ZAS311572、ZAS320772、ZAS321172,
ZFS5403Y、ZFS5408Y、ZFS5115MM,
PLB68M65FR、PLB6843FR、PLB6851FR,
LFT-SXV-010、LFT-SXV-20M,
我们能针对客户的需求提供各种技术服务,具体详细信息请联系川代轴承全国客服热线021-52797858转8008询价,我们将为您提供专业详细的服务。如需查找其他型号,可登陆我们的现货中心栏目或致电021-52797858转8008询价进行详细查询,谢谢! |