| 16SG5208E3、18SG52E08E3、24SG3211E3 |
|
上海川代轴承机械有限公司 新闻动态 2025-10-30
|
|

|
|
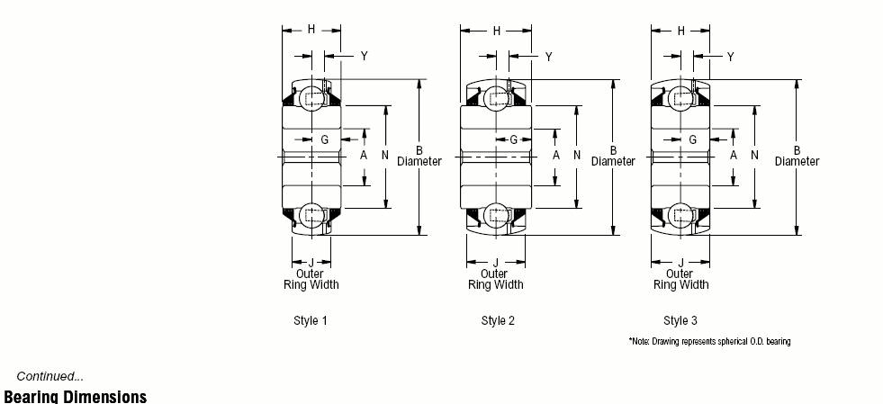
Shaft
Diameter |
Part Number |
Industry
Number |
Style |
B O.D. |
J
Outer Ring
Width |
A |
G |
H |
N |
Y |
Approx.
Weight |
|
1 |
16SG5208E3 Δ |
GW208PPB6 |
1 |
3.1496 |
0.8661 |
1.0300 |
0.719 |
1.4375 |
2.083 |
0.253 |
1.70 |
|
1 1/8 |
18SG22E08E3 Δ |
GW208PPB8 |
2 |
1.1875 |
1.1850 |
1.50 |
|
18SG52E08E3 Δ |
GW208PPB5 |
1 |
0.8661 |
|
1 1/4 |
20SG5209E3 Δ |
GW209PPB8 |
1 |
3.3465 |
0.8661 |
1.2800 |
0.719 |
1.4375 |
2.281 |
0.254 |
1.85 |
|
1 1/2 |
24SG3211E3 Δ |
GW211PPB3 |
3 |
3.9370 |
1.3125 |
1.5300 |
0.656 |
1.3125 |
2.749 |
0.267 |
2.40 | |
16SG5208E3、18SG52E08E3、24SG3211E3现货供应,如有需要请及时联系我们。上海川代轴承机械有限公司同时销售
NJ308EW,
LME51222N,
7913CTRV1VSULP3,
BA 8,
38556,
NB9011035,
N2208W,
SR10SS5 O-9 P2S 20131,
4710PS-22T-B30-B00,
L782003R2,
LB68846R,
G100MSB,
GIKFL18PB,
S1101K,
CR 100X120X12 HMSA79 R,
CR 14X20X3 HM4 R,
CR 30X44X7 HMSA10 RG,
NKI15/XL,
LP5322U,
6206 F355,
21307 V,
SSR25XTBY,
USRB5000A-400,
NPL-20T,
1512-310-75,
KH-3067-2A,
SDB20 OP内径31.75(mm)外径50.8(mm)高度66.675(mm),
205HCRRUL G-75 P2SF 21647,
MPD-15双面锁紧中载荷立式座,
1315JV密封盖,
以上为我司部分轴承型号,如需查找其他型号,可登陆我们的现货中心栏目或致电021-52797858转8008进行详细查询,谢谢! ,我们还提供其相关技术信息包括
FAG 生产车间,
FYH UC(F SP PH PA FL FX ) SBPP BLP UKIP UKFL 数据,
THK LM导轨 HRW型,
HGH20CA HGH20HA 、HGH25CA HGH25HA HGH55CA HGH55HA 、 HGW20CC HGW20HC、HGW35CC HGW35HC,
SM606-18°TXMP4RDUM S626-18°TXMP4RDUM S619/5-18°TXMP4RDUS 、SM605ETXMP4RDUL-L252 S625ETXMP4RDUL-L252 S619/6ETXMP4RDUL-L252,
关节轴承POS6R/L、POS10RF/LF、POS14R/L,
M81935/1-07L ASM-7T ASB-7T,
RASC 2 3/16 GC1203KRRGT-30738,
ER8KCL、ER12KCL、ER23KCL,
MTHCL216N、MTHCL223N、MTHCL224N,
MCFD-40、MCFD-72、MCFD-35、MCFD-52,
12×37×7HMS5RG、14×24×7HMS5RG,
Killian:F-175-1、 F-200-1、F-250-2,
SCHB-SC-103、SCHB-SC-107,
FND442、FRN453Z,
我们能针对客户的需求提供各种技术服务,具体详细信息请联系川代轴承全国客服热线021-52797858转8008询价,我们将为您提供专业详细的服务。如需查找其他型号,可登陆我们的现货中心栏目或致电021-52797858转8008询价进行详细查询,谢谢! |