| F3CL2M55N、F3CL238N、F3CL240N | 
  
  
    | 
 | 
  
    | 上海川代轴承机械有限公司 新闻动态  2025-10-31 
 
 | 
  
  
    | 
| 
 
 |  
| 
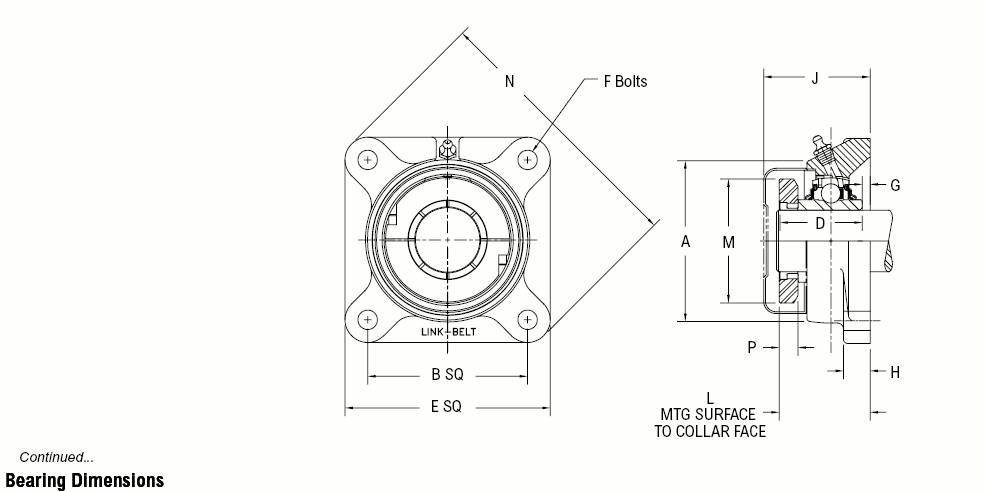
 Shaft   Diameter  | 
 Part Number  | B  Distance   Between   Bolt Holes  | L  Mounted   Surface   to Collar   Face  | 
 A  | 
 D  | 
 E  | 
 F  Bolts  | 
 G  | 
 H  | 
 J  | 
 M  | 
 N  | 
 P  | 
 Approx.   Weight  |  
| 1 15/16  | F3CL2B31N*Δ■  | 
 5 1/8  | 
 2 9/16  | 
 4 15/16  | 
 2 15/64  | 
 6 3/8  | 
 5/8  | 
 5/16  | 
 29/32  | 
 3 5/64  | 
 3 29/32  | 
 8 1/2  | 
 5/8  | 
 8.90  |  
| 2  | F3CL232N*Δ■  |  
| 2 3/16  | F3CL235N*Δ■  |  
| 2 1/4  | F3CL2E36N*Δ■  |  
| 55.00  | F3CL2M55N*Δ■  | 130.18  | 65.00  | 125.40  | 56.75  | 161.90  | 16.00  | 7.90  | 23.00  | 78.20  | 99.22  | 215.90  | 15.75  | 4.00  |  
| 2 3/16  | F3CL2B35N*Δ■  | 
 5 5/8  | 
 2 55/64  | 
 5 3/8  | 
 2 19/32  | 
 6 7/8  | 
 5/8  | 
 11/32  | 
 15/16  | 
 3 23/64  | 
 4 3/16  | 
 9 7/32  | 
 21/32  | 
 11.90  |  
| 2 1/4  | F3CL236N*Δ■  |  
| 2 3/8  | F3CL238N*Δ■  |  
| 2 7/16  | F3CL239N*Δ■  |  
| 60.00  | F3CL2M60N*Δ■  | 142.88  | 72.60  | 136.50  | 65.88  | 174.60  | 16.00  | 8.70  | 23.80  | 85.30  | 106.36  | 234.20  | 16.76  | 5.35  |  
| 2 1/2  | F3CL240N *Δ  | 
 5 7/8  | 
 2 27/32  | 
 5 7/8  | 
 2 3/4  | 
 7 3/8  | 
 5/8  | 
 3/32  | 
 3/4  | 
 3 13/64  | 
 4 51/64  | 
 9 13/16  | 
 5/8  | 
 14.40  |  
| 2 11/16  | F3CL243N *Δ  |  
| 65.00  | F3CL2M65N *Δ  | 149.22  | 72.14  | 149.22  | 69.85  | 187.30  | 16.00  | 2.40  | 19.00  | 81.36  | 121.84  | 249.20  | 15.90  | 6.50  |  
| 2 3/4  | F3CL244N *Δ  | 
 6  | 
 3  | 
 6  | 
 2 59/64  | 
 7 3/4  | 
 3/4  | 
 3/32  | 
 3/4  | 
 3 37/64  | 
 5 1/4  | 
 10 1/4  | 
 11/16  | 
 17.40  |  
| 2 15/16  | F3CL247N *Δ  |  
| 3  | F3CL2E48N *Δ  |  
| 75.00  | F3CL2M75N *Δ  | 152.40  | 76.45  | 152.40  | 74.22  | 196.80  | 20.00  | 2.40  | 19.00  | 90.88  | 133.35  | 260.40  | 17.50  | 7.85  |  
| 3 7/16  | F3CL255N *Δ  | 
 6 3/4  | 
 3 11/16  | 
 6 3/4  | 
 3 39/64  | 
 8 9/16  | 
 3/4  | 
 3/32  | 
 1  | 
 4 27/64  | 
 5 23/32  | 
 11 3/8  | 
 3/4  | 
 25.70  |  
| 3 1/2  | F3CL2E56N *Δ  |  
| 85.00  | F3CL2M85N *Δ  | 171.45  | 93.73  | 171.45  | 91.68  | 217.50  | 20.00  | 2.40  | 25.40  | 112.31  | 145.25  | 288.90  | 19.00  | 11.55  |  | 
    
    | F3CL2M55N、F3CL238N、F3CL240N现货供应,如有需要请及时联系我们。上海川代轴承机械有限公司同时销售
7216BW ,
A3X9.8,
CRBH25025AT1,
IRT1020-2,
32204J,
1311 EKTN9/C3,
NU2236-E-M1,
FLCTE17,
TKSD30G3HJHLA,
UK322/A,
NA3100,
1235-35G,
C103HERRUL G-75 P2SF 23233,
CR-2-3/4-SS,
MR7315UAV,
NU221C0,
BHT6001CTAMABEC7UL,
33108,
ZEP-3208,
SMK40UU-E,
M1314-DAH,
5313WBR,
CR 25028,
7208B.TVP.P5.UL,
NN3016ASK.M.SP,
23944 CC/W33,
117KSF,
SR6FFX323K5DB G-76 P2P 20637,
6038JV密封盖,
W-1280,
以上为我司部分轴承型号,如需查找其他型号,可登陆我们的现货中心栏目或致电021-52797858转8008进行详细查询,谢谢! ,我们还提供其相关技术信息包括
    
印刷机轴承F-27991.3,
IKO BWU,
联体三角带、广角带,
日本美培亚NMB直流风扇现货明细,
ZF-9200、ZF-9203、ZF-9207、ZF-9208,
SMR72.J.ZZ.M.P5、607-2ZP5C19/27GPRY、SS686-2ZP5GPRJ,
RBC生厂SJ7154、SFG14.40,
四螺栓法兰SF-204TMC、SF-205TMC、SF-206TMC、SF-207TMC,
铸铁立式座VPS-108、VPS-110、VPS-112、VPS-115、VPS-116,
ZEPS3207F、ZEP3208F、ZEP3307F,
FBB22623H、FBB22631H,
TU314、TU320、TU323、TU334,
ASK40、ASK50、ASK60,
AL28F4D2、AL40F4D2、AL45F4D2单向,
F2B-DLEZ-20M-PCR、F2B-DLEZ-100-PCR,
我们能针对客户的需求提供各种技术服务,具体详细信息请联系川代轴承全国客服热线021-52797858转8008询价,我们将为您提供专业详细的服务。如需查找其他型号,可登陆我们的现货中心栏目或致电021-52797858转8008询价进行详细查询,谢谢!
 |