| P3CL2M50N、P3CL235N、P3CL2M60N |
|
上海川代轴承机械有限公司 新闻动态 2026-5-7
|
|

|
|
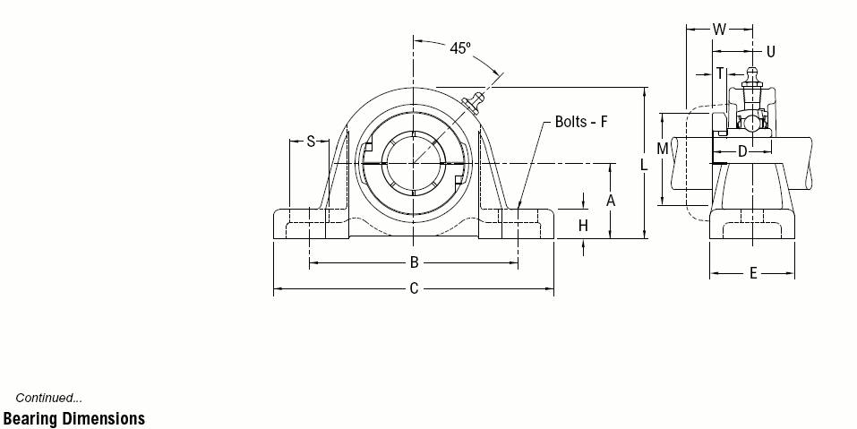
Shaft Diameter |
Part Number |
A
Base to
Centerline Height |
B
Distance
Between
Bolt Holes |
C |
D |
E |
F
Bolts |
H |
L |
M |
S |
U |
W |
Approx. Weight |
|
1 15/16 |
P3CL231N Δ*■ |
2 1/4 |
6 3/16 |
7 7/8 |
2 3/32 |
2 1/8 |
5/8 |
7/8 |
4 9/16 |
3 3/4 |
15/16 |
1 17/64 |
1 25/32 |
6.10 |
|
2 |
P3CL2E32N Δ*■ |
|
50.00 |
P3CL2M50N Δ*■ |
57.15 |
157.20 |
200.00 |
53.18 |
54.00 |
16.00 |
22.20 |
115.88 |
95.25 |
23.80 |
32.10 |
45.20 |
2.75 |
|
2 |
P3CL232N Δ*■ |
2 1/2 |
6 29/32 |
8 7/8 |
2 1/4 |
2 5/16 |
5/8 |
1 |
5 |
4 5/64 |
1 7/32 |
1 13/32 |
2 1/64 |
7.80 |
|
2 3/16 |
P3CL235N Δ*■ |
|
55.00 |
P3CL2M55N Δ*■ |
63.50 |
175.41 |
225.42 |
57.15 |
58.73 |
16.00 |
25.40 |
127.00 |
103.58 |
30.95 |
35.70 |
51.20 |
3.51 |
|
2 1/4 |
P3CL236N Δ*■ |
2 11/16 |
7 1/2 |
9 1/2 |
2 1/2 |
2 3/8 |
5/8 |
1 1/8 |
5 3/8 |
4 9/32 |
1 1/8 |
1 9/16 |
2 7/64 |
11.40 |
|
2 3/8 |
P3CL238N Δ*■ |
|
2 7/16 |
P3CL239N Δ*■ |
|
60.00 |
P3CL2M60N Δ*■ |
68.26 |
190.50 |
241.30 |
63.50 |
60.32 |
16.00 |
28.60 |
136.50 |
108.74 |
28.57 |
39.70 |
53.60 |
5.13 |
|
2 1/2 |
P3CL240NΔ* |
3 |
8 1/8 |
10 1/2 |
2 3/4 |
2 7/8 |
3/4 |
1 5/16 |
6 |
4 51/64 |
1 3/16 |
1 3/4 |
2 15/64 |
15.90 |
|
2 11/16 |
P3CL243NΔ* |
|
65.00 |
P3CL2M65NΔ* |
76.20 |
206.40 |
266.70 |
69.85 |
73.00 |
20.00 |
33.30 |
152.40 |
121.84 |
30.20 |
44.45 |
56.75 |
7.16 |
|
2 3/4 |
P3CL244NΔ* |
3 1/4 |
8 7/8 |
11 3/4 |
2 59/64 |
3 1/4 |
3/4 |
1 3/8 |
6 1/2 |
5 1/4 |
1 5/16 |
1 27/32 |
2 29/64 |
19.50 |
|
2 15/16 |
P3CL247NΔ* |
|
3 |
P3CL2E48NΔ* |
|
75.00 |
P3CL2M75NΔ* |
82.55 |
225.40 |
298.40 |
74.22 |
82.60 |
20.00 |
34.90 |
165.10 |
133.35 |
33.30 |
46.83 |
62.31 |
8.78 |
|
3 7/16 |
P3CL255NΔ* |
3 3/4 |
10 |
13 |
3 39/64 |
3 1/2 |
7/8 |
1 5/8 |
7 7/16 |
5 23/32 |
1 5/8 |
2 11/64 |
2 57/64 |
28.70 |
|
3 1/2 |
P3CL2E56NΔ* |
|
85.00 |
P3CL2M85NΔ* |
95.25 |
254.00 |
330.20 |
91.68 |
88.90 |
24.00 |
41.30 |
188.90 |
145.26 |
41.30 |
55.17 |
73.42 |
12.92 |
|
3 15/16 |
P3CL263N* |
4 7/16 |
11 7/8 |
15 1/4 |
4 7/64 |
4 1/4 |
7/8 |
1 13/16 |
8 7/8 |
6 1/2 |
1 7/8 |
2 7/16 |
3 |
50.20 |
|
4 |
P3CL2E64N* |
|
100.00 |
P3CL2M100N* |
112.71 |
301.60 |
387.40 |
104.38 |
108.00 |
24.00 |
46.00 |
225.40 |
165.10 |
47.60 |
61.91 |
76.20 |
22.60 | |
P3CL2M50N、P3CL235N、P3CL2M60N现货供应,如有需要请及时联系我们。上海川代轴承机械有限公司同时销售
LBD35UAJ,
C 2230 K,
6026-C3,
14130X,
653 Prec.3,
NJ240M,
ZXL050HD10 O-67 P2P 00218,
NU 307 ECP,
ARNBT75185,
5208WS,
2MMVC99113WNDUX,
CF10UUR,
MG-6M-500,
MS14104-7,
CR 140X160X13 CRSH12 R,
CR STR 120X125X1.3-Y95A,
2306G,
R1032-620-20,
NN3020,
CR28X,
LM5080100N,
XLS-13/8,
1920HC,
202SS6 G-33 P2S 20628,
PS2024-16,
1623-494-10,
VPLB-226,
DL2012,
7013AVH密封盖,
SFC-212TMC,
以上为我司部分轴承型号,如需查找其他型号,可登陆我们的现货中心栏目或致电021-52797858转8008进行详细查询,谢谢! ,我们还提供其相关技术信息包括
NSK丝杆型号:W0400MA-1PY-C3Z1、W0400MA-3PY-C3Z1、W0800MA-1PY-C3Z1、W1001MA-1PY-C3Z2 、W1201MA-1PY-C3Z2,
VPS-127、VPS-132、VPS-114、VPS-112立式座,
PLB66136FD8 孔径 8-1/2,
LUBU75、LUBU95,
WTH3S212E、WTH3S2M20E、WTH3S215E、WTH3S218E、WTH3S2E20E,
GYM1203KRRB GYM1204KRRB GYM1207KRRB GYM1208KRRB,
ZBS2111、ZBS2203、ZBS2206、ZBS2060MM圆座,
EPEB22563FH、EPEB22572YFH、EPEB225M110YFH,
PH3U222N、PH3U226N、PH3U2M45N,
24R6208E3、R3209E3、31R3210E3,
RS6、RS8、RS10、RS14、RS20满滚针轴承,
GMF13WUU-E、GMF10WUU-E、GMF20WUU-E直线轴承,
F&B-CC-100、F&B-CC-104,
LFT-SXV-010、LFT-SXV-20M,
SEB98J1ZZ1C3/LX23Q22、SEB900J1ZZ1C3/LX23Q19,
我们能针对客户的需求提供各种技术服务,具体详细信息请联系川代轴承全国客服热线021-52797858转8008询价,我们将为您提供专业详细的服务。如需查找其他型号,可登陆我们的现货中心栏目或致电021-52797858转8008询价进行详细查询,谢谢! |