| ZCS6107、ZCS6045MM、ZCS6206 |
|
上海川代轴承机械有限公司 新闻动态 2025-10-31
|
|

|
|
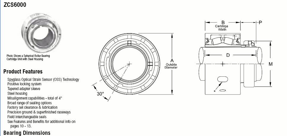
Shaft
Diameter |
Part Number |
A
Outside
Diameter |
B
Cartridge
Length |
D |
M |
P |
Approx.
Weight |
|
1 7/16 |
ZCS6107 |
3.1240 |
2.188 |
3 21/64 |
2 25/64 |
1 9/64 |
2.90 |
|
1 11/16 |
ZCS6111 |
3.6360 |
2.438 |
3 47/64 |
2 41/64 |
1 9/32 |
4.50 |
|
1 15/16 |
ZCS6115 |
3.8330 |
2.391 |
3 41/64 |
2 55/64 |
1 1/8 |
5.30 |
|
45.00 |
ZCS6045MM |
97.3600 |
60.730 |
92.47 |
72.63 |
28.58 |
2.55 |
|
2 3/16 |
ZCS6203 |
4.2270 |
2.500 |
3 11/16 |
3 15/64 |
1 5/32 |
8.10 |
|
55.00 |
ZCS6055MM |
107.3600 |
65.020 |
93.66 |
82.15 |
29.37 |
3.40 |
|
2 3/8 |
ZCS6206 |
4.6210 |
2.625 |
4 1/16 |
3 19/32 |
1 27/64 |
9.10 |
|
2 7/16 |
ZCS6207 |
8.70 |
|
60.00 |
ZCS6060MM |
117.3700 |
66.680 |
103.19 |
91.28 |
36.12 |
4.08 |
|
2 11/16 |
ZCS6211 |
5.4070 |
3.125 |
4 17/32 |
4 3/32 |
1 25/64 |
15.10 |
|
2 3/4 |
ZCS6212 |
14.10 |
|
2 15/16 |
ZCS6215 |
12.10 |
|
70.00 |
ZCS6070MM |
137.3380 |
79.380 |
115.09 |
103.98 |
35.32 |
6.40 |
|
75.00 |
ZCS6075MM |
6.00 |
|
3 3/16 |
ZCS6303 |
6.1940 |
3.438 |
5 1/32 |
4 61/64 |
1 19/32 |
19.80 |
|
3 7/16 |
ZCS6307 |
17.90 |
|
80.00 |
ZCS6080MM |
157.3300 |
88.140 |
127.79 |
125.81 |
40.48 |
8.90 |
|
85.00 |
ZCS6085MM |
8.50 |
|
3 11/16 |
ZCS6311 |
7.3750 |
4 |
5 25/32 |
5 43/64 |
1 47/64 |
33.60 |
|
3 15/16 |
ZCS6315 |
32.60 |
|
90.00 |
ZCS6090MM |
187.3200 |
101.600 |
146.84 |
144.07 |
44.05 |
14.80 |
|
100.00 |
ZCS6100MM |
|
4 3/16 |
ZCS6403Y |
7.9685 |
4 1/4 |
6 1/4 |
6 1/16 |
1 7/8 |
40.00 |
|
4 7/16 |
ZCS6407Y |
39.50 |
|
110.00 |
ZCS6110MM |
202.4000 |
107.950 |
158.75 |
153.99 |
47.63 |
20.00 |
|
4 15/16 |
ZCS6415 |
9.3442 |
5.560 |
7 15/16 |
6 61/64 |
2 1/4 |
54.00 |
|
125.00 |
ZCS6125MM |
237.3400 |
141.220 |
201.61 |
176.61 |
57.15 |
24.50 | |
ZCS6107、ZCS6045MM、ZCS6206现货供应,如有需要请及时联系我们。上海川代轴承机械有限公司同时销售
2305J,
7303BWG,
THE50,
26118-90018,
HM926710 Prec.3,
S1PPZ1FS50000,
BHA87ZOH,
CF6,
SDE25,
MG700RLH,
HC71922E.T.P4S.UL,
104T3 O-11 P2S 11711,
38SS3 O-11 P2S 14714,
CZSB118CRRDUL G-75 P2PFT 25676,
4710NL-04W-B39,
P3Y232N,
FKU95,
VAS5/8,
M7326TAV,
TKM0475W104R100,
SWT20GUU,
XLS5PGATP,
CR12XLL,
GA355.18,
M90X110X10,
HSS7007-C-T-P4S-UL#E,
SRF8,
GSWE208CS,
211HEUL O-11 P2SF 21676,
200354油封,
以上为我司部分轴承型号,如需查找其他型号,可登陆我们的现货中心栏目或致电021-52797858转8008进行详细查询,谢谢! ,我们还提供其相关技术信息包括
IKO 库存号,
NADELLA 品牌 RAXF,
JAF:RW507E、RW507HHR、SBC6004-012、SC204-2RS、MG307-2RSH、DC5010NR、D-305A,
单向轴承FE470、FE453、FE448、FE443、FE433、FE435、FE432、FE430、FE428、FE427、FE425、FE422,
R067201000、R067201200、R067201600、R067202500、R067203000,
1651424-20、1651-423-20、1651-223-20,
1621-112-10 、1621-123-10 、R162122320,
HSR 35CBM、HSR35CBM HSR35CB、HSR35CB HSR30HBM,
SDM80AJ内径:80mm,外径:120mm,厚度:140mm,
PLB6827D8 MR1919EX,
GIXSW16、GIXSW16MS 、GIXSW18MS 、GIXSW20MS,
123910 P2B-SCAH-111 123911 P2B-SCAH-112 052413 P2B-SCAH-45M,
标准型立式座VPS-20-MM、VPS-25-MM、VPS-30-MM、VPS-40-MM,
R1502 340 76、R1502 470 75、R1502 540 75,
LFT-GT-17M、LFT-GT-014,
我们能针对客户的需求提供各种技术服务,具体详细信息请联系川代轴承全国客服热线021-52797858转8008询价,我们将为您提供专业详细的服务。如需查找其他型号,可登陆我们的现货中心栏目或致电021-52797858转8008询价进行详细查询,谢谢! |