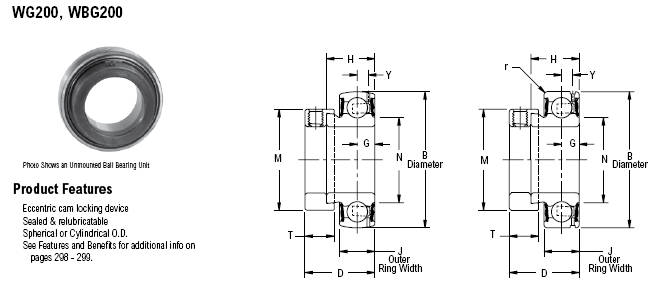
WG231EL轴承尺寸规格 |
|

|
|
Size
Code |
Shaft
Diameter |
Cylindrical |
Spherical |
B O.D. |
J
Outer
Ring
Width |
D |
G |
H |
M |
N |
r |
T |
Y |
Approx.
Weight |
|
Part Number |
Part Number |
|
203 |
1/2 |
WBG2B08EL▲ |
WG2B08EL▲ |
1.5748 |
0.5118 |
1 1/8 |
0.2559 |
0.7500 |
1 1/8 |
0.879 |
0.024 |
17/32 |
0.158 |
0.30 |
|
5/8 |
WBG210EL▲ |
WG210EL▲ |
|
204 |
3/4 |
WBG212EL▲ |
WG212EL▲ |
1.8504 |
0.5906 |
1 7/32 |
0.2953 |
0.8437 |
1 5/16 |
1.013 |
0.039 |
17/32 |
0.176 |
0.50 |
|
205 |
7/8 |
WBG214EL▲ |
WG214EL▲ |
2.0472 |
0.5906 |
1 7/32 |
0.2953 |
0.8437 |
1 1/2 |
1.210 |
0.039 |
17/32 |
0.176 |
0.50 |
|
15/16 |
WBG215EL▲ |
WG215EL▲ |
|
1 |
WBG216EL▲ |
WG216EL▲ |
|
206 |
1 1/8 |
WBG218EL▲ |
WG218EL▲ |
2.4409 |
0.7087 |
1 13/32 |
0.3543 |
0.9375 |
1 3/4 |
1.587 |
0.039 |
5/8 |
0.202 |
0.75 |
|
1 3/16 |
WBG219EL▲ |
WG219EL▲ |
|
1 1/4 |
WBG2E20EL▲ |
WG2E20EL▲ |
|
207 |
1 1/4 |
WBG220EL▲ |
WG220EL▲ |
2.8346 |
0.7480 |
1 17/32 |
0.3740 |
1.0000 |
2 3/16 |
1.847 |
0.039 |
11/16 |
0.239 |
1.30 |
|
1 3/8 |
WBG222EL▲ |
WG222EL▲ |
|
1 7/16 |
WBG223EL▲ |
WG223EL▲ |
|
208 |
1 1/2 |
WBG224EL▲ |
WG224EL▲ |
3.1496 |
0.8661 |
1 23/32 |
0.4330 |
1.1875 |
2 3/8 |
2.083 |
0.039 |
23/32 |
0.253 |
1.60 |
|
209 |
1 5/8 |
WBG226EL▲ |
WG226EL▲ |
3.3465 |
0.8661 |
1 23/32 |
0.4330 |
1.1875 |
2 1/2 |
2.109 |
0.039 |
23/32 |
0.254 |
1.70 |
|
1 11/16 |
WBG227EL▲ |
WG227EL▲ |
|
1 3/4 |
WBG228EL▲ |
WG228EL▲ |
|
210 |
1 15/16 |
WBG231EL▲ |
WG231EL▲ |
3.5433 |
0.8661 |
1 23/32 |
0.4330 |
1.1875 |
2 3/4 |
2.306 |
0.039 |
23/32 |
0.268 |
1.75 |
|
2 |
WBG2E32EL▲ |
WG2E32EL▲ | |
近期推荐轴承型号WG231EL,
,
ZAF5700F,
M5209EX,
MR1015EAX,
MSN1920EB,
NJ330C3,
P3Y236N,
ZAFS6303F*轴径3.1875(in),
EPEB22443H轴径2.6875(in),
CSEB22424H轴径1.5(in),
KFXSS2M20轴径20(in),
以上为我司部分轴承型号,如需查找其他型号,可登陆我们的现货中心栏目或致电021-52797858转8008询价,进行详细查询,谢谢!
|
| WG231EL产品详细图片: |
 |
| LINK-BELT轴承品牌介绍: |
| Linkbelt隶属美国REXNORD,美国莱克斯诺工业集团是大型跨国工业集团公司,坐落于美国威斯康辛州的密尔沃基市,是复杂工艺机械传动部件制造商。其主要产品包括:LINK-BELT滚动轴承、LINK-BELT高精度轴承、LINK-BELT调心轴承、LINK-BELT带座轴承、LINK-BELT平面球轴承、LINK-BELT轴承直线导轨、LINK-BELT轴承滚珠丝杆、LINK-BELT轴承微小型直线导轨、LINK-BELT轴承交叉滚子导轨、LINK-BELT往轴承复旋转衬套轴承、LINK-BELT轴承滚珠滑组、LINK-BELT凸轮从动轴承等。 |
上海川代轴承机械有限公司专业销售LINK-BELT轴承 WG231EL轴承,LINK-BELT轴承品牌供应商,我们为您提供WG231EL的具体的规格参数及报价,本公司同时销售包括LINK-BELT轴承品牌在内的多种进口轴承,包括深沟球轴承、自动调心球轴承、角接触球轴承、圆柱滚子轴承、滚针轴承、球面滚子轴承、推力轴承、Y-轴承、滚轮轴承,直线轴承,滑动轴承,轴承箱及各种精密机械部件等产品,目前公司拥有现货库存、快捷的物流体系、能在较短的时间内为用户解决轴承的配套供应和提供个性化服务。
欢迎垂询LINK-BELT轴承 WG231EL轴承价格和库存信息。咨询热线:021-52797858转8008询价 |