欢迎访问川代轴承机械下属网站:
川代机械轴承网 川代机械配件网
 


FAG轴承
TIMKEN轴承 IKO轴承
KOYO轴承 NACHI轴承
NTN轴承 NSK轴承
EZO轴承 EASE轴承
INA轴承 NMB轴承
IJK轴承 SAMICK轴承
THK轴承 FYH轴承
EZO轴承
在线咨询

服务热线:

021-52797858

传真:

021-51611236
电子邮箱:

ass1318@hotmail.com 
zzs@chuandaizc.com

QQ在线咨询:
QQ:505918680
QQ号码505918680

 

首页>>Rexroth-STAR精密轴承>>R151251075

R151251075轴承尺寸规格

    With standard seals

    Adjustable preload

    For precision-rolled screws SN-R of

    tolerance grade T5, T7, T9 and groundthread

    screws SN-F of tolerance grade P1,

    P3, P5, (T7)

   

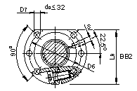
d0 : nominal diameter    P : lead(R=right-hand, L=left-hend)   Dw : ball diameter  i = number of ball track turns

 Size

Part number

Load ratings

d0 x P x Dw- i

dyn.

stat.

C(N)

C0(N)

16 x 5R x 3-4

R151201055

12300

16100

16 x 10R x 3-3

R151204075

9600

12300

16 x 16R x 3-3

R151206055

9300

12000

20 x 5R x 3-4

R151211075

14300

21500

20 x 20R x 3.5-3

R151217055

13300

18800

25 x 5R x 3-4

R151221075

15900

27200

25 x 10R x 3-4

R151224075

15700

27000

25 x 25R x 3.5-3

R151228055

14700

23300

32 x 5R x 3.5-4

R151231075

21600

40000

32 x 10R x 3.969-5

R151234075

31700

58300

32 x 20R x 3.969-3

R151237055

19700

33700

32 x 32R x 3.969-3

R151239055

19500

34000

40 x 5R x 3.5-5

R151241075

29100

64100

40 x 10R x 6-4

R151244075

50000

86400

40 x 12R x 6-4

R151245055

49900

86200

40 x 20R x 6-3

R151247075

37900

62800

40 x 40R x 6-3

R151249055

37000

62300

50 x 5R x 3.5-5

R151251075

32000

81300

50 x 10R x 6-6

R151254075

79700

166500

50 x 12R x 6-6

R151255055

79600

166400

50 x 20R x 6.5-5

R151257076

75700

149700

50 x 40R x 6.5-3

R151259055

46500

85900

63 x 10R x 6-6

R151264075

88800

214300

63 x 20R x 6.5-5

R151267076

83900

190300

63 x 40R x 6.5-3

R151269055

53400

114100

80 x 10R x 6.5-6

R151274075

108400

291700

80 x 20R x 9-6

R151277075

170900

403900

80 x 20R x 12.7-6

R151277055

262700

534200

  

 


d0 x P x Dw-i

Dimensions (mm)

Weight
m
(Kg)

d1

d2

D1
g6

D5

D6

Hole
pattern

 D7

L

L3

L4

L5

L8

L9

L10

S

16 x 5R x 3-4 

 15.0

 12.9

 28

 48

 38

 BB2

 5.5

 38

 15

 10

 11.5

 7.1

 44

 11.5

 M6

 0.20

16 x 10R x 3-3 

 15.0

 12.9

 28

 48

 38

 BB2

 5.5

 45

 15

 15

 15

 11

 44

 15

 M6

 0.22

16 x 16R x 3-3 

 15.0

 12.9

 28

 48

 38

 BB2

 5.5

 61

 15

 20

 23

 10

 44

 23

 M6

 0.29

20 x 5R x 3-4 

 19.0

 16.9

 36

 58

 47

 BB2

 6.6

 40

 15

 10

 12.5

 7.1

 51

 12.5

 M6

 0.33

20 x 20R x 3.5-3 

 19.3

 16.7

 36

 58

 47

 BB2

 6.6

 77

 20

 25

 28.5

 12.5

 51

 28.5

 M6

 0.56

25 x 5R x 3-4 

 24.0

 21.9

 40

 62

 51

 BB2

 6.6

 45

 20

 10

 12.5

 9.5

 55

 12.5

 M6

 0.43

25 x 10R x 3-4 

 24.0

 21.9

 40

 62

 51

 BB2

 6.6

 64

 20

 16

 22

 10

 55

 22

 M6

 0.54

25 x 25R x 3.5-3 

 24.0

 21.4

 40

 62

 51

 BB2

 6.6

 95

 25

 30

 35

 14

 55

 35

 M6

 0.77

32 x 5R x 3.5-4 

 31.0

 28.4

 50

 80

 65

 BB2

 9

 48

 20

 10

 14

 9.7

 71

 14

 M6

 0.74

32 x 10R x 3.969-5 

 31.0

 27.9

 50

 80

 65

 BB2

 9

 77

 20

 16

 28.5

 12.5

 71

 28.5

 M6

 0.97

32 x 20R x 3.969-3 

 31.0

 27.9

 50

 80

 65

 BB2

 9

 84

 20

 25

 32

 12.5

 71

 32

 M6

 1.04

32 x 32R x 3.969-3 

 31.0

 27.9

 50

 80

 65

 BB2

 9

 120

 20

 40

 50

 12.5

 71

 50

 M6

 1.34

40 x 5R x 3.5-5 

 39.0

 36.4

 63

 93

 78

 BB1

 9

 54

 25

 10

 14.5

 12

 81.5

 14.5

 M8x1

 1.25

40 x 10R x 6-4 

 38.0

 33.8

 63

 93

 78

 BB1

 9

 70

 25

 16

 22.5

 11.8

 81.5

 22.5

 M8x1

 1.39

40 x 12R x 6-4 

 38.0

 33.8

 63

 93

 78

 BB1

 9

 75

 25

 25

 25

 12.5

 81.5

 25

 M8x1

 1.47

40 x 20R x 6-3 

 38.0

 33.8

 63

 93

 78

 BB1

 9

 88

 25

 25

  近期推荐轴承型号

R151251075

, , 2011-214-04, 1693-814-10, 1624-424-10, 2001-723-90, R0723-520-80, R150277096, R151247012, R0668-040-00, R151231004, 1653-494-20, 以上为我司部分轴承型号,如需查找其他型号,可登陆我们的现货中心栏目或致电021-52797858转8008询价,进行详细查询,谢谢!
Rexroth-STAR精密轴承品牌介绍:
  德国博世力士乐(BOSCH REXROTH STAR)滚珠导轨导向系统是特别为机床和工业机器人而研制的,这种结构紧凑,滚珠支撑的直线导向系统分为不同的精度等级,并且具有极高的承载能力和很高的刚度。结构紧凑的组装单元有八种市场上常见的规格,在所有四个主要承载方向上具有高的额定载荷。STAR导轨和滑块在滚道区均采用独有精密加工,可以在同意精度等级内任意组合。甚至可以与滚柱导轨导向系统进行全面互换。包括STAR滑块系列,STAR导轨系列等。
  上海川代轴承机械有限公司专业销售Rexroth-STAR精密轴承 R151251075轴承,Rexroth-STAR精密轴承品牌供应商,我们为您提供

R151251075

的具体的规格参数及报价,本公司同时销售包括Rexroth-STAR精密轴承品牌在内的多种进口轴承,包括深沟球轴承、自动调心球轴承、角接触球轴承、圆柱滚子轴承、滚针轴承、球面滚子轴承、推力轴承、Y-轴承、滚轮轴承,直线轴承,滑动轴承,轴承箱及各种精密机械部件等产品,目前公司拥有现货库存、快捷的物流体系、能在较短的时间内为用户解决轴承的配套供应和提供个性化服务。
  欢迎垂询Rexroth-STAR精密轴承 R151251075轴承价格和库存信息。咨询热线:021-52797858转8008询价
其他相关信息:
·IKO THK HIWIN SBC直线导轨丝杆对照表
·IKO 各型号表示 ·轮毂轴承国内外对照表
·Stieber ·LWLF42C1BCSHS2(1601)、LWLF42C1BHS2(680)、LWLFC14C1BHS2(300)、LWLFC18C1BHS2(690
·日本ASK:NF-30VUU、 NF-30TVUU、 NFES-10VLUU 、NFES-10VMUU、 NFES-12VLUU、 SB-30UU、SB-40 ·7610DLG、7612DLG、7614DLG、7615DLG、7616DLG、7618DLG、7620DLG重型精密平面径向轴承
·1621-114-20、1621-713-20、1621-312-20 ·VTBS-20MM、VTBS-30MM固定螺钉锁定-公制
·VS-316、VS-319、VS-323系列中型芯件 ·National 油封313156N、471419
·ER46 孔径 2-7/8 ·PH3Y218N、PH3Y219N、PH3Y220N、PH3Y222N、PH3Y223N
·JNS NK85/25、RNA4915、RNA5915、RNA6915 ·BECO 6008 BHT FB 400°、6009 BHT FB 400
·BRTM25-30-501、 BRTM30-30-501、 BRTM35-30-501、 BRTM40-30-501德国关节轴承 ·NA314-43、NA315-47、NA312-39、NA310-31轴承心
·McGill CFD1-1/2 BCCF2SB CYR1-3/8S MCFE72S ·四螺栓法兰单元SF-8、SF-11、SF-204、SF-13、SF-16
·标准型轴承嵌入SC-15T、SC-16T、SC-20RT、SC-20T、SC-25T ·ZD5065MM、ZD5208、ZD5303
·R0670 025 00、R0670 040 00、R0670 050 00 ·CF-1/2-B、CF-9/16-SB、CF-5/8-N-B
·MR-24-SS、MR-48-SS、MR-64-SS ·9NBC1419YZP、8NBC1218YZP、20NBC2032YZP
·7616-DLG、208KRR-2、87607-RSZ ·FC-SXV-102、FC-SXV-105
·TP-K-203R、TP-K-215R ·DURBAL BEF12、BEF14
·BNM6、BNM8、BNM10、BNM12、BNM14、BNM18、BNM20、BNM22、BNM25关节
更多... 
 
   
 
首页 | 公司简介 | 产品展示 | 经销品牌 | 型号中心 | 部份库存轴承 | 新闻中心 | 客户留言 | 联系我们 | 轴承之家 |
上海川代轴承机械有限公司 技术支持:Freedesign
上海川代轴承机械有限公司|GMN轴承/SEALMASTER轴承/NADELLA轴承/EASE轴承/STAR轴承/DODGE轴承/LINKBELT轴承/INA轴承/IKO轴承/KOYO轴承/FYH轴承/TORR轴承/RHP轴承

客户服务热线

021-52797858
转8008询价

QQ:505918680
在线客服