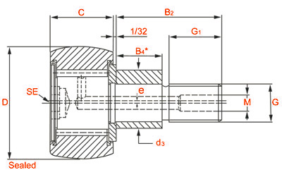
CCFE1-7/8SB轴承尺寸规格 |
CCFE 1 7/8 SB
PRODUCT DETAILS
|
1.875 |
|
|
1.000 |
|
|
1.000 |
|
|
1 3/4 |
|
|
0.875 |
|
|
7/8 |
|
|
3/4-16 |
|
|
0.030 |
|
|
3/16 |
|
|
1250 |
|
|
8000 |
|
|
6500 |
|
| 
| |
近期推荐轴承型号CCFE1-7/8SB,
,
CR–1/2-XB,
HR–1-1/8-XBC,
BYR-2-X,
CF2-1/2SB英制圆柱密封式凸轮从动轴承,
CFH-1 1/2-S,
MI-10,
MS21447-7,
GR30,
CF1/2S,
MS51961-34,
以上为我司部分轴承型号,如需查找其他型号,可登陆我们的现货中心栏目或致电021-52797858转8008询价,进行详细查询,谢谢!
|
| MCGILL轴承品牌介绍: |
| MCGILL凸轮轴承,自创立以来,生产了超过1400多种不同结构的轴承。1990年并入世界500强企业EMERSON,是北美凸轮轴承和从动轮轴承制造商。MCGILL的CAMROL凸轮轴承有CF、CFH、CYR、BCF、MCF、MCYRD等一系列,所有的CAMROL轴承表面均通过氧化发黑处理,以确保达到防腐耐磨的效果,从而延长其使用寿命。外圈较厚以承受断续的振动和轴向向的双重负载,广泛用于制罐、制瓶行业和钢铁行业。MCGILLl轴承的从动轮最大外径能达到8”,特别适用钢厂轧机用;MCGILLl滚针类轴承MR、GR广泛应用在印刷、制塑、包装机械等。MCGILL轴承采用LUBRIDISC油封,可有效去除杂质,降低轴承内部摩擦力并保持润滑,延长使用时间。 |
上海川代轴承机械有限公司专业销售MCGILL轴承 CCFE1-7/8SB轴承,MCGILL轴承品牌供应商,我们为您提供CCFE1-7/8SB的具体的规格参数及报价,本公司同时销售包括MCGILL轴承品牌在内的多种进口轴承,包括深沟球轴承、自动调心球轴承、角接触球轴承、圆柱滚子轴承、滚针轴承、球面滚子轴承、推力轴承、Y-轴承、滚轮轴承,直线轴承,滑动轴承,轴承箱及各种精密机械部件等产品,目前公司拥有现货库存、快捷的物流体系、能在较短的时间内为用户解决轴承的配套供应和提供个性化服务。
欢迎垂询MCGILL轴承 CCFE1-7/8SB轴承价格和库存信息。咨询热线:021-52797858转8008询价 |